[구상화 풀림 열처리]
펄라이트 조직을 가진 강을 공석변태온도보다 약간 낮은 온도에서 오랜 시간 동안 가열하면(예를 들면, 700℃에서 20시간 정도) 펄라이트 조직 내의 시멘타이트들이 서로 뭉쳐서 크고 둥근 형상의 시멘타이트를 형성하게 되는데 이러한 과정을 구상화 풀림이라고 한다. 이렇게 되면 조직은 페라이트 바탕에 크고 둥근 시멘타이트를 갖게 되므로 매우 연한 성질을 갖게 된다. 구상화된 조직이 갖는 경도는 약 150 BHN 정도이다. 다음 그림은 구상화된 조직을 갖는 탄소강의 조직사진이다.
[마르텐사이트 변태]
[1] 마르텐사이트 변태의 과정
오스테나이트 구역으로 가열된 강을 매우 빠른 냉각속도(예를 들면, 수랭과 같은)로 냉각시키면 오스테나이트 내에 고용되어 있던 탄소들이 석출되어 시멘타이트를 형성할 시간이 없게 되므로 펄라이트로 변태하지 못하고 탄소가 억류되어 있는 상태와 같은 조직이 형성되는데, 이러한 변태를 마르텐사이트 변태(martensitic transformation)라 하고 이때 생성된 조직을 마르텐사이트(martensite)라 한다. 이때의 결정구조는 면심입방격자의 오스테나이트가 체심입방격자의 페라이트로 바뀌는 과정에 탄소원자들이 철 원자 사이에 끼인 형태인 체심정방(BCT: body centered tetragonal)구조를 갖는다. 다음 그림은 이러한 마르텐사이트의 결정구조를 보여준다.
마르텐사이트 조직에서 철 원자 사이에 끼인 탄소 원자는 결정구조에 뒤틀림을 가져오고 결정격자의 국부적인 변형을 일으킨다. 따라서, 이러한 구조의 조직에서는 전위의 이동이 매우 어렵게 되므로 마르텐사이트의 경도는 매우 높아진다. 이와 같이 급랭에 의하여 경도가 높은 마르텐사이트 조직을 얻어내는 방법을 담금질(quenching)이라 한다.
[2] 마르텐사이트의 기계적 성질
앞에서 마르텐사이트 변태에 있어서 철 원자들 사이에 끼인 탄소에 의한 국부적인 변형이 재료의 경도를 높게 한다고 하였으므로 마르텐사이트의 경도는 탄소함유량에 따라 달라지게 됨을 짐작할 수 있다. 다음 그림은 탄소함유량에 따른 마르텐사이트의 경도를 나타낸다.
경도가 탄소함유량 0.8% 정도까지 증가하여 최대 약 750 BHN 정도까지 됨을 알 수 있다.
[3] 마르텐사이트의 템퍼링
담금질된 상태의 마르텐사이트 조직은 경도는 높지만 취성이 매우 크고 내부적으로 잔류응력이 많이 남아 있기 때문에 담금질된 상태 그대로 사용되는 경우는 거의 없다. 따라서, 열처리 과정을 통하여 마르텐사이트에 인성을 부여하고 잔류응력을 제거하게 되는데 이러한 과정을 템퍼링(tempering)이라 한다.
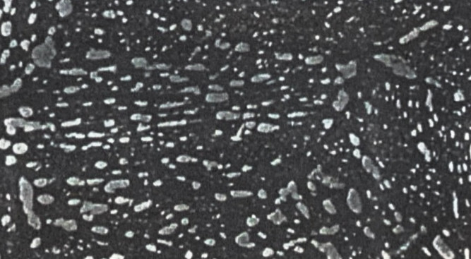
템퍼링은 마르텐사이트 조직의 강을 공석온도 이하에서 일정한 시간 동안 가열함으로써 이루어지게 된다. 보통 템퍼링은 250~650℃ 범위 내에서 이루어진다. 마르텐사이트를 이 온도로 가열하면 마르텐사이트 내에 억류되어 있던 탄소들이 석출되어 작은 시멘타이트 입자들을 형성함으로써 체심입방격자구조의 페라이트에 매우 작은 시멘타이트 입자들이 혼합되어 있는 조직이 얻어지게 된다. 이렇게 되면 페라이트의 좋은 연성과 시멘타이트의 높은 강성을 동시에 가지게 되어 아주 이상적인 기계적 성질을 갖게 된다. 이와 같은 조직을 템퍼링된 마르텐사이트(tempered martensite)라 하고 다음 그림은 이 조직사진을 보여준다.
[어닐링]
냉간소성변형에 의하여 가공경화된 연성재료는 변형되기 전보다 전위의 밀도가 높아지고 또 내부에 변형에너지를 많이 축적하게 된다. 열역학적 관점에서 보면 이러한 재료는 적합한 조건에서 내부에 축적된 변형에너지를 낮게 하려는 경향을 가질 것이다. 여기에 적합한 조건을 제공하여 주는 것이 온도의 상승이다. 온도가 상승하게 되면 조직 내의 각 원자들의 운동에너지를 증가시키고, 이것을 적절한 시간동안 유지하게 되면 원래의 냉간가공되기 전의 상태로 되돌아가게 된다. 이때 회복, 재결정, 결정립 성장과정을 거치게 된다.
① 회복 : 냉간가공된 금속을 재결정온도 이하로 가열하게 되면 재료 내에 축적된 변형 에너지를 낮추기 위하여 그림(a)와 같이 결정입면경계에 축적되어 있거나 서로 뒤엉켜 있던 전위들이 이동하여 정돈된 상태로 변하게 된다. 그림(b)는 이러한 전위배열의 변화를 보여주는데, 이것을 다각형상화(polygonization)라 한다. 이때 전위의 밀도에는 큰 변화가 없으므로 강도나 연성에는 큰 변화를 일으키지 않으며 이와 같은 과정을 회복(recovery)이라 한다.
(a) 변형에 의하여 전위들이 뒤엉켜 있는 상태
(b) 회복과정에서 전위들이 정돈되는 상태(polygonization)
② 재결정 : 회복과정이 끝난 후에도 재료 내부에는 상당한 변형에너지가 남아 있게 된다. 이것을 보다 높은 온도로 가열하게 되면 재료 내의 결정립(grain) 내에 있던 전위들이 각 결정립 밖으로 이동하여 전위의 밀도가 매우 낮은 새로운 결정립을 생성하게 되는데, 이것을 재결정(recrystallization)이라 한다. 재결정이 일어나게 되면 전위의 밀도 및 내부의 변형에너지가 매우 낮아지게 되어 재료의 강도가 크게 감소하고 반면 연신율은 크게 상승하게 된다. 이와 같은 재결정이 1시간 내에 완료되는 온도를 재결정 온도라 하며 이 온도는 보통 용융온도의 1/3~1/2 정도이다.
③ 결정립 성장 : 재료의 조직 내에서 결정립의 크기가 커지면 조직 전체의 결정립 경계면적은 작아지게 되고, 이것은 전체의 에너지를 감소시키게 된다. 재결정 이후의 소재를 계속 가열된 온도상태로 유지시키면 조직 내의 전체 에너지를 더욱 낮추기 위하여 재결정된 작은 결정들이 합하여 큰 결정을 이루게 되는데, 이것을 결정립 성장(grain growth)이라 한다. 결정립 성장이 일어나게 되면 강도는 약간 더 떨어지게 된다. 다음 그림은 냉간가공된 재료를 가열하였을 때 조직의 변화와 기계적 성질의 변화를 개념적으로 보여준다.
이와 같이 가공경화된 재료를 재결정온도 이상에서 충분히 긴 시간 가열하여, 전위수가 정상적인 새 결정립으로 치환하여 그 재료의 기계적 성질을 정상상태로 복귀시키고, 변형능력을 회복하는 조작을 어닐링 (annealing)이라 한다.
'전공 기본 > 기계재료' 카테고리의 다른 글
기계재료 (3) - 철강재료와 열처리 (4) (0) | 2022.08.30 |
---|---|
기계재료 (3) - 철강재료와 열처리 (3) (0) | 2022.08.28 |
기계재료 (3) - 철강재료와 열처리 (1) (0) | 2022.08.22 |
기계재료 (2) - 상태도 (2) (0) | 2022.08.11 |
기계재료 (2) - 상태도 (1) (0) | 2022.08.07 |
댓글